2
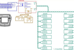
U1510-00 lost communication with device on lin bus
U1510-00 lost communication with device on lin bus-



2



2



2



An3cliqgcygecm



54b Code No U1515 Bus Error Lin



Colorcomputerarchive Com



La Douce Voix De L Ame Extrait Conesens



54b Code No U1515 Bus Error Lin



16 18 Servisnyj Manual Chevrolet Volt



Shevi Niva 18 Chevrolet Niva B U 18 Goda Kupit Shevrole Niva 18 Goda S Probegom Novokubansk Novokubanskij Rajon Novokubansk



18obdg03a Engine Diagnostics Pdf Pdf Control Theory Turbocharger



U0073 Code Control Module Communication Bus A Off In The Garage With Carparts Com



16 18 Servisnyj Manual Chevrolet Volt



Code No U1510 Power Window Sub Switch Rl Time Out



U1510 Engine Code Repair U1510 Obd Ii Diagnostic Network U Trouble Code Engine Obd Code Enginecoderepair



Code No U1510 P W Rl Lin Timeout



2



U0010 Can Interior Bus Obd2 Code



Proceedings Of The Space Surveillance Workshop Volume 1 Pdf Pdf Infrared Stars



Dtc Cadillac U1511 00 Short Explanation Youtube



U0001 Controller Area Network Can Data Bus High Speed Bus Communication Control Module Troublecodes Net



U0010 Can Interior Bus Obd2 Code



Chevy Code U1510



1



U1008 Lin 1 Bus



bestpicth6xl いろいろ U1510 00 Lost Communication With Device On Lin Bus U1510 00 Lost Communication With Device On Lin Bus



Transmission Stopped Shifting Chevy Colorado Gmc Canyon



Shevi Niva 18 Chevrolet Niva B U 18 Goda Kupit Shevrole Niva 18 Goda S Probegom Novokubansk Novokubanskij Rajon Novokubansk



Network Communication Diagnostics Vehicle Service Pros



14 Vs 15 Body Parts Swap What S Compatible 14 19 Silverado Sierra Gm Trucks Com



Lin Bus Diagnostic Information 14 21 Buick Cadillac Chevrolet Gmc Oemdtc Com



Colorcomputerarchive Com



2



Diverse Fehlercode S Elektrik Beleuchtung Insignia Freunde De Das Opel Insignia Forum



bestpictjg2x いろいろ U1510 Code Gmc U1510 Code Gmc Sierra



54b Code No U1515 Bus Error Lin



2



Code No U1510 P W Rl Lin Timeout Vehicles For Russia And Mexico



U1534 00 Lin Bus 3 Lost Communication With Device 4 Vauxhall Owners Network Forum



18 Sierra U1510 Active Grille Shutter Youtube



Diverse Fehlercode S Elektrik Beleuchtung Insignia Freunde De Das Opel Insignia Forum



2



Shevi Niva 18 Chevrolet Niva B U 18 Goda Kupit Shevrole Niva 18 Goda S Probegom Novokubansk Novokubanskij Rajon Novokubansk



14 Chevrolet Truck Silverado 1500 Crew Cab 2wd Ltz Z71 Standard Box Overview Chevrolet Truck Buyers Guide



Gmc Code U1510



Elr Smart Wiper System Pdf Free Download



U1510 Gmc Sierra 17



U0155 Lost Communication With Cluster Ccn In Orc Srs Module Obd2 Code



Lin Bus Diagnosis Techlink



Code No U1510 P W Rl Lin Timeout



Transmission Stopped Shifting Chevy Colorado Gmc Canyon



Gm Lin Bus Codes Diagnostic Network



May 17 12 The Western Producer By The Western Producer Issuu



Kody Bledow Astra J Astra Klub Polska



Toyota 4runner Lost Communication With Gateway Module Ms Bus U1002 U1114 Can Communication System Service Manual



2



Long Post 18 Silverado Ltz Steering Wheel Controls Dead 14 19 Silverado Sierra Gm Trucks Com



16 18 Servisnyj Manual Chevrolet Volt



Lin Bus Diagnosis Techlink



Gm Code U1510 U1510 Chevrolet Lost Communication With Hvac Control Module



U0146 Chevrolet Code Lost Communication With Serial Data Gateway Module



The Gm Lin Bus And You Exploring How It Works Youtube



Code No U1509 Power Window Sub Switch As Time Out



Worldradiohistory Com



Code No U1510 Power Window Sub Switch Rl Time Out



Elr Smart Wiper System Pdf Free Download



bestpicth6xl いろいろ U1510 00 Lost Communication With Device On Lin Bus U1510 00 Lost Communication With Device On Lin Bus



Dtc Codes And Associated Pit Docs 14 18 Silverado Sierra Troubleshooting Gm Trucks Com



Shevi Niva 18 Chevrolet Niva B U 18 Goda Kupit Shevrole Niva 18 Goda S Probegom Novokubansk Novokubanskij Rajon Novokubansk



Gainesville Sun



Coduri De Eroare Opel Ghid Tehnic Fanopel Ro



Solved Navi Car Audio Eps Iii Can Bus Lin Bus Asrb Bus Chegg Com



18 Sierra U1510 Active Grille Shutter Youtube



2



An3cliqgcygecm



16 18 Servisnyj Manual Chevrolet Volt



Toyota Venza Lost Communication With Door Control Module B U00 Can Communication System Service Manual



U1510 Engine Trouble Code U1510 Obd Ii Diagnostic Network U Trouble Code Engine Obd Code Enginetroublecode Com



bestpicth6xl いろいろ U1510 00 Lost Communication With Device On Lin Bus U1510 00 Lost Communication With Device On Lin Bus



Code No U1570 No Bus Activity Error For Lin Vehicles For Russia



Technical Details And Functional Description Saab 9 5ng



Gm Lin Bus Codes Diagnostic Network



Code No U1515 No Bus Activity Error Lin



Gmc Code U1510



Code No U1515 No Bus Activity Error Lin



Oshibki U1510 I U15 Soobshestvo Opel Astra Na Drive2



Code No U1510 Power Window Sub Switch Rl Time Out



2



2



Worldradiohistory Com



Can Communication System For Rhd With Entry And Start System



2



Lin Bus U1501 U1510 Diagnostic Network



2



Code No U1508 P W Dr Lin Timeout Vehicles For Russia And Mexico



Gmc Lost Communication Scannerdanner Forum Scannerdanner



2



Can Communication System For Rhd With Entry And Start System



bestpicth6xl いろいろ U1510 00 Lost Communication With Device On Lin Bus U1510 00 Lost Communication With Device On Lin Bus



Code No U1510 Power Window Sub Switch Rl Time Out



Lin Bus Diagnostics Youtube



U1008 Lin 1 Bus


0 件のコメント:
コメントを投稿